首页
学习
活动
专区
圈层
工具
发布
首页
学习
活动
专区
圈层
工具
MCP广场
社区首页 >专栏 >轻量级注意力模型HOTSPOT-YOLO:无人机光伏热异常检测新SOTA,mAP高达90.8%

轻量级注意力模型HOTSPOT-YOLO:无人机光伏热异常检测新SOTA,mAP高达90.8%

原创
作者头像
CoovallyAIHub
发布2025-09-01 09:32:00
发布2025-09-01 09:32:00
1720
举报

【导读】

无人机光伏巡检如何更智能、更高效?HOTSPOT-YOLO模型给出了亮眼答案!给AI装上“热成像鹰眼”,能精准锁定光伏板上的细微热斑缺陷。它不仅将检测精度(mAP)提升至90.8%,更在保持实时性的前提下大幅“瘦身”,参数减少超200万,轻松部署于无人机平台。实验证明,其在亮度变化、噪声干扰等复杂场景下表现依然鲁棒,为大规模光伏电站的自动化巡检提供了可靠、高效的解决方案。

图片
图片

太阳能光伏(PV)系统中的热异常检测对于确保运行效率和降低维护成本至关重要。在本研究中,开发并命名为HOTSPOT-YOLO,这是一种轻量级人工智能(AI)模型,它集成了高效的卷积神经网络主干和注意力机制以改进目标检测。该模型专为基于无人机的光伏系统热检测而设计,解决了检测小型和细微热异常(如热点和有缺陷的组件)的独特挑战,同时保持实时性能。实验结果表明,平均精度均值(mAP)达到 90.8%,相较于基线目标检测模型有显著提升。凭借降低的计算负荷和在不同环境条件下的鲁棒性,HOTSPOT-YOLO 为大规模光伏检测提供了一个可扩展且可靠的解决方案。这项工作突出了先进人工智能技术与实际工程应用的结合,彻底改变了可再生能源系统中的自动化故障检测。


引言

HOTSPOT-YOLO,这是YOLOv11 的一种轻量级且注意力驱动的适应版本,专门为检测光伏系统中的热异常而定制。通过加入 EfficientNet 主干网络,该模型优化了特征提取,在检测准确性和计算效率之间实现了显著的平衡。这种适应对于处理基于无人机的检查至关重要,因为实时处理是必需的。此外,SE注意力机制的集成使 HOTSPOT-YOLO 能够聚焦于热学上显著的区域,显著增强了其精确检测细微异常(如小热点)的能力。所提出的模型实现了90.8% 的平均精度均值(mAP),相较于基线YOLOv11 模型显著提高了5.9%。此外,HOTSPOT-YOLO 减少了212 万个参数,在保持跨不同成像条件(包括亮度、对比度和热噪声的变化)的鲁棒性能的同时,减少了计算开销。这种减少不仅使其非常有效,而且可部署在资源受限的平台(如无人机)上。该架构适应高噪声环境并隔离有意义异常的潜力展示了其在大规模光伏检测中可扩展应用的潜力,使其成为满足自动化太阳能监控系统日益增长需求的实用且高效的解决方案。

图片
图片

论文标题: HOTSPOT-YOLO: A Lightweight Deep Learning Attention-Driven Model for Detecting Thermal Anomalies in Drone-Based Solar Photovoltaic Inspections 论文链接: https://arxiv.org/pdf/2508.18912


方法

HOTSPOT-YOLO模型

YOLOv11在通用目标检测任务中表现出色,但将其适应于专业领域,如太阳能光伏系统中的热异常检测,需要仔细的架构增强和领域特定的优化。

为了满足这一需求,我们提出了HOTSPOT-YOLO 模型(如图 1 所示),这是 YOLOv11 的增强版本,专为基于无人机的热成像技术而定制。HOTSPOT-YOLO 采用轻量级的 EfficientNet 主干网络来优化特征提取,提供了准确性和计算效率之间的卓越平衡,这对于实时处理热图像至关重要。此外,我们将 SE 注意力机制集成到架构中,使模型能够聚焦于图像中最热学上显著的区域,如热点或缺陷,同时抑制不相关的背景信息。引入这些修改是为了提高模型对小型和细微热异常的检测准确性,这些异常通常难以用常规方法检测到。另外,通过保持 YOLOv11 的核心实时能力并优化其计算需求,HOTSPOT-YOLO 被设计为可部署在无人机上进行大规模太阳能光伏检测。这些增强确保模型不仅实现高检测性能,而且对于实际应用保持实用和高效。

图片
图片

提出的HOTSPOT-YOLO 架构(如图 2 所示)通过系统地将输入热图像转换为边界框预测和类别标签来运行,以识别太阳能光伏系统中的热异常。该过程结构化为多个计算阶段,这些阶段被无缝集成以最大化效率和准确性。

图片
图片

为了优化HOTSPOT-YOLO 模型的性能,采用了严格的训练程序,使用了来自 Roboflow 的公开热图像数据集。这些数据集是专门为太阳能光伏系统中的热异常检测而策划的,所有图像注释(边界框和类别标签)均使用 Roboflow 提供的注释工具执行。训练过程利用了最先进的数据增强技术、先进的优化策略和仔细的参数调优组合,以确保稳健的模型性能,详见表 2。参数调优过程涉及对关键超参数进行系统实验,包括学习率、批量大小、epoch 数量以及优化器的动量。

图片
图片

获取的高质量图像数据可无缝接入Coovally平台进行自动化处理。平台提供从数据管理、标注到模型训练的全流程支持,内置YOLO系列、Transformer等多种主流模型,支持分布式训练加速和自动化超参调优,显著提升损伤检测模型的开发效率。

Coovally操作动图.gif
Coovally操作动图.gif

!!点击下方链接,立即体验Coovally!!

平台链接:https://www.coovally.com


训练结果

多组件热点检测(场景1:单热点)

HOTSPOT-YOLO模型在包含多个组件的光伏阵列热图像上进行了测试,展示了其在复杂场景中检测和定位热点的鲁棒性。如图 4 所示的结果证明了模型以高置信度识别热异常的能力。

图片
图片

多组件热点检测(场景2:多热点)

检测光伏阵列中的多个热点是确保大规模太阳能装置运行效率和安全性的一个关键方面。图5 中的热图像是在非常高的辐照度条件下捕获的,HOTSPOT-YOLO 模型准确地检测到四个具有显著更高热异常的组件,这些异常偏离了均匀模式。检测到的组件其置信度分数范围在 91% 到 94% 之间,展示了模型聚焦于关键感兴趣区域的能力。

图片
图片

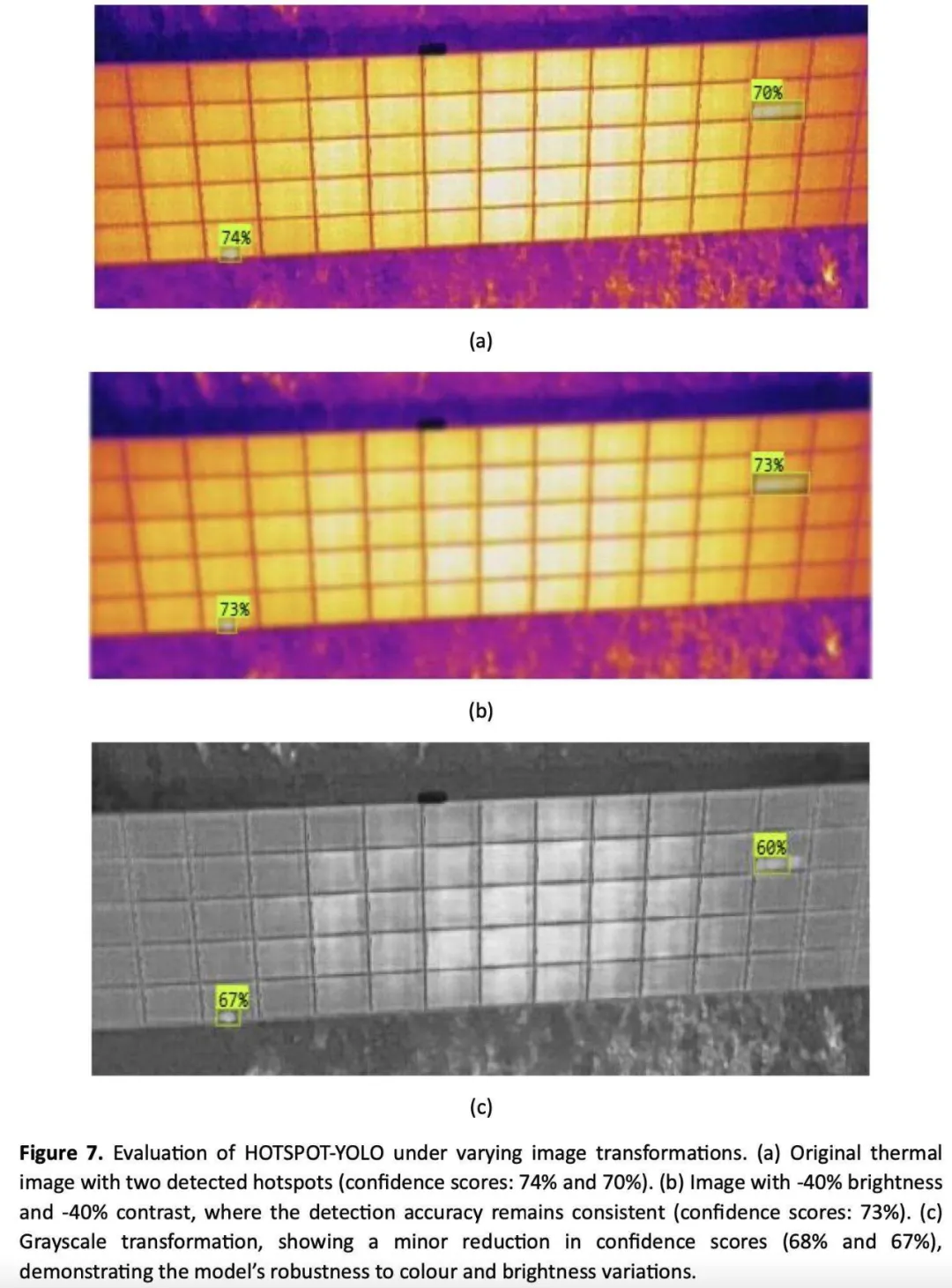
多组件热点检测(场景3:对图像变化的鲁棒性)

确保对图像变化(如亮度、对比度和配色方案的变化)的鲁棒性对于目标检测模型的实际部署至关重要。HOTSPOT-YOLO模型在这些具有挑战性的场景下进行了评估,其性能如图 7 所示,该图展示了其在应用于原始图像的各种变换下保持一致性热点检测的能力。

图片
图片

图8(a) 和图 8(b) 说明了模型在遭受图像模糊时的性能,展示了其在 degraded(降质)视觉环境中识别热点的鲁棒性。图像表现出明显的模糊,模块边缘不清晰,整体对比度大幅降低。尽管存在这些挑战,HOTSPOT-YOLO 模型成功检测到分布在多个组件的多个热点,置信度分数范围从 53% 到 71%。

图片
图片

多组件热点检测(场景4:地面热成像)

虽然HOTSPOT-YOLO 模型仅使用无人机捕获的热图像进行训练和验证,但其鲁棒性还通过使用静止的地面热像仪拍摄的热图像进行了进一步评估。在图 9(a) 中,热图像从地面视角捕获了多个光伏组件,引入了诸如不平整角度和部分遮挡等挑战。尽管存在这些复杂性,HOTSPOT-YOLO 成功检测了整个光伏阵列中的大部分热点,置信度分数范围从 63% 到 82%。图 9(b) 中的特写地面图像显示了光伏阵列的一小部分,具有变化的焦距和旋转。模型成功检测到两个显著的热点,置信度分数分别为 83% 和 85%,展示了其适应局部热异常的能力。

图片
图片

基准分析

将提出的HOTSPOT-YOLO 模型与几种最先进的目标检测算法进行了基准测试,以突出其在检测太阳能光伏系统中热异常的性能。这些模型,包括 Cascade RCNN、CenterNet、Faster RCNN、YOLOv5m、YOLOv9m和 YOLOv11m,因其在各种领域的目标检测任务中的有效性而广受认可。表 3 中呈现的基准测试结果评估了每个模型的检测准确性、计算效率(FLOPs)、模型复杂度(参数数量)和推理速度(ms),提供了全面的比较分析。

图片
图片

表4 提供了对现有光伏热点检测技术的进一步全面比较,突出了关键方法、特点、优势和局限性。这些方法范围从传统方法(如结合局部阴影分析的红外成像)到高级解决方案(包括 CNN 和修改的 YOLO 框架)。

图片
图片

结论与未来工作

本研究通过引入HOTSPOT-YOLO(一种为基于无人机的检测优化的增强型深度学习模型),满足了太阳能光伏系统中高效准确的热异常检测的关键需求。该研究通过架构创新展示了对该领域的重大贡献,包括集成 EfficientNet 主干网络以优化特征提取,以及集成 SE 注意力机制以精确聚焦热异常。这些增强使模型能够以卓越的准确性检测细微缺陷(如热点),同时保持计算效率。

HOTSPOT-YOLO实现了90.8%的mAP,比YOLOv11 基线提高了5.9%,同时减少了212万个参数,使其在计算上轻量且适用于实时部署。鲁棒性测试突出了模型对具有挑战性条件(包括亮度变化、噪声和低对比度图像)的适应性,确认了其对于大规模太阳能光伏检测的效用。与领先目标检测模型的基准测试进一步强调了 HOTSPOT-YOLO 的卓越性能,在准确性、速度和资源效率之间实现了显著的平衡。这项工作的意义超出了在光伏系统中的直接应用,为轻量级、注意力增强架构在更广泛的热成像挑战中的潜力提供了见解。通过有效解决可扩展性和资源限制,HOTSPOT-YOLO 代表了在自动化故障检测和增强可再生能源技术可靠性方面向前迈进的一步。

原创声明:本文系作者授权腾讯云开发者社区发表,未经许可,不得转载。

如有侵权,请联系 cloudcommunity@tencent.com 删除。

原创声明:本文系作者授权腾讯云开发者社区发表,未经许可,不得转载。

如有侵权,请联系 cloudcommunity@tencent.com 删除。

评论
登录后参与评论
0 条评论
热度
最新
推荐阅读
目录
  • 引言
  • 方法
    • HOTSPOT-YOLO模型
  • 训练结果
    • 多组件热点检测(场景1:单热点)
    • 多组件热点检测(场景2:多热点)
    • 多组件热点检测(场景3:对图像变化的鲁棒性)
    • 多组件热点检测(场景4:地面热成像)
    • 基准分析
  • 结论与未来工作
领券
问题归档专栏文章快讯文章归档关键词归档开发者手册归档开发者手册 Section 归档