
这篇文档是 Analog Devices(ADI)公司发布的技术文章,题为:
《Fundamental Principles Behind the Sigma-Delta ADC Topology: Part 1》
作者是 ADI 的应用工程师 Michael Clifford,本文介绍了 Σ-Δ(Sigma-Delta)ADC 架构的基本原理。
这篇文章比之前的要浅,但是恰到好处的可以理解不少的概念,其次也可以给出很多有趣的结论,学到很多的名词解读。
MT-022: Sigma-Delta ADC 基础(YUNSWJ重写) 这个是之前的,写的不好。
Σ-Δ ADC 通常分为两个主要模块:
这些构成了 Σ-Δ ADC 的典型数据流,如图 1 所示。

Figure 1
主要设计理念包括:

ADC的奈奎斯特操作,最原始
采样频率为信号带宽的两倍,即 Nyquist 频率 = fₛ/2;量化噪声分布在整个带宽内,难以滤除,这种情况下,量化噪声由ADC的LSB大小决定。

ADC以标准奈奎斯特方式运行时的量化噪声
下图显示的是同一转换器,不过现在它以过采样方式运行,采样速率更快。采样速率提高K倍,量化噪声扩展到K × FS/2的带宽上。低通数字滤波器(通常带抽取功能)可消除蓝色区域之外的量化噪声。

过采样方案,采样速率为K × FS
采样率提高至 K × fₛ(这个就是为什么有时钟的意思),量化噪声能量被扩展到更宽频带(我之前也写过量化噪音,不过是SAR主题里面写的),数字滤波器可抑制非信号带宽内的噪声,下面就会说这个了。
Σ-Δ调制器多了一个特性,那就是噪声整形,如图所示。模数转换的量化噪声被调制整形,从低频移动到较高频率(通常如此),低通数字滤波器可将其从转换结果中消除。Σ-Δ型ADC的噪底由热噪声决定,而不受量化噪声的限制。

Figure 2c
不仅过采样,还使用噪声整形(数字低通滤波器可有效滤除这些高频噪声,提高信噪比(SNR)),作用是量化噪声通过调制器被“推”向高频段。
ADC的主时钟(MCLK)常常要先分频,再交由调制器使用;阅读ADC数据手册时应注意这点,并了解调制器频率。传送到调制器的时钟设置采样频率FMOD。

16M,测试条件里面会写

数据手册里面也会有

手册里面还有这个数据
这张图是一个内部振荡器(Internal Oscillator)频率分布直方图:
X轴:频率(MHz)
范围从 15.98 MHz 到 16.05 MHz;中心点大约在 16.02 MHz
Y轴:样本数量(SAMPLE COUNT)
表示在某一频率区间内的芯片数量(单位:个)
柱状图:
每一根柱代表 100 颗芯片中,多少颗落在该频率范围内;峰值在 16.02 MHz 附近,大约 45 个样本;左右分布稍微不对称,右侧(偏高频)比左侧稍宽。
项目 | 分析 |
|---|---|
中心频率 | 接近 16.02 MHz(而非理想 16.000 MHz) |
总样本数 | 100 颗芯片 |
最大集中 | 在 16.02 MHz,约 45% 样本 |
频率范围 | 整体落在 [16.00 MHz ± 0.03 MHz] 内 |
偏差范围 | 绝大多数芯片频率偏差 ≤ ±0.03 MHz,也就是 ±1875 ppm |
意思是说可能需要校准或使用外部晶振。
但是总来说该图说明该内部振荡器在 无校准条件下的频率误差分布,表现出良好的中心趋势(集中于 16.02 MHz),但偏离理想 16.00 MHz 存在系统性偏差,使用时需考虑校准、温漂影响与系统容忍度。
调制器以该速率将数据输出到数字滤波器,进而数字滤波器(通常为低通,带抽取功能)以输出数据速率(ODR)提供数据;图显示了这一过程。

一般是M级别的

Σ-Δ型ADC使用内部或外部采样时钟

image-20250720091201448
Σ-Δ调制器是一种负反馈系统,与闭环放大器相似。环路包含低分辨率ADC和DAC,以及一个环路滤波器。输出和反馈被粗略量化,常常只有一比特表示高电平或低电平的输出。
ADC的模拟系统实现了这种基本结构,量化器就是完成采样的模块。如果存在保证环路稳定的条件,那么输出就是输入的粗略表示。数字滤波器获得该粗略输出并重构模拟输入的精确数字转换结果。
调制器输出从低电平到高电平的变化率取决于输入的变化率。当正弦波输入为正满量程时,调制器输出开关速率会降低,输出以+1状态为主。同样,当正弦波输入为负满量程时,+1和–1之间的转换会减少,输出以–1为主。当正弦波输入处于最大变化率时,调制器输出发生最高密度的+1和–1切换。输
出变化率与输入变化率同步。因此,模拟输入由Σ-Δ调制器输出的转换率来描述。
对输入模拟信号进行快速采样,生成 1位数字流(+1 或 –1)
“+1”的密度代表输入信号的幅度——这就是所谓的“ones density”编码

响应一个正弦波输入的1密度输出

大不大
负反馈系统;内部包含一个低分辨率ADC(如1位)+ DAC + 滤波器,整体类比于一个“闭环控制系统”。
若使用线性模型来描述这种1位调制器(Mod 1),则可将该系统表示为一个带负反馈的控制系统。量化噪声为量化器的输入与输出之差。输入偏差节点之后是一个低通滤波器。在下图中,量化噪声用N来表示。

这个是环路模型,没有人讲过这个
调制器系统可以用控制系统理论描述:
输入转移函数(STF) 是低通滤波器
噪声转移函数(NTF) 是高通滤波器,实现噪声整形(如 Mod1 为 20dB/decade)
总结一下三个部份:
概念 | 含义 |
|---|---|
STF (Signal Transfer Function) | 从输入信号到输出的传递函数,表现为低通滤波器,增益在目标带宽内为 1 |
NTF (Noise Transfer Function) | 从量化噪声到输出的传递函数,表现为高通滤波器,将噪声推离目标带宽 |
H(f) | 调制器内部的环路滤波器函数,定义反馈系统行为 |

假设一阶结构
则可得:
信号传递函数(STF):
噪声传递函数(NTF):
当 (即低频),则:,信号通过;,量化噪声被抑制。
而当 (即高频),则:,信号被滤除;,噪声通过。
模型阶数 | NTF 增益斜率(高频) | 解释 |
|---|---|---|
Mod 1 | +20 dB / decade | 一阶高通,有限噪声整形能力 |
Mod 2 | +40 dB / decade | 二阶高通,更强噪声抑制 |
Mod 3 | +60 dB / decade | 高阶但稳定性下降,需谨慎设计 |
MASH | +60+ dB / decade | 多级稳定结构,实现高阶整形 |
(确实是从3阶开始就不太稳定了)
这里出现了名词,噪声整形斜率:在对数量化噪声进行频谱分析时,低频区域的量化噪声随频率上升而下降的速率,单位为 dB/decade。
不进行任何整形时,量化噪声在频域中是均匀分布的,即:
引入积分器(Integrator)后,系统构建了一个 负反馈环路
使得低频处量化噪声压制,高频处增强 → 高频的量化噪声更强;低频部分因此更干净(提高了 SNR)
在低频近似为:
阶数 | 噪声整形斜率(dB/decade) |
|---|---|
1 阶 | 20 dB/decade |
2 阶 | 40 dB/decade |
3 阶 | 60 dB/decade |
4 阶 | 80 dB/decade |
调制器输出的频谱(仅看噪声部分)大致如下:
dB
│
│ _______________ ◀─ Mod1: 20 dB/dec
│ / \
│ / \_____ ◀─ Mod2: 40 dB/dec
│_____/ \___ ◀─ Mod3: 60 dB/dec
│
└───────────────────────────────▶ f (Hz)
越高阶的调制器,量化噪声在低频处抑制得越好;但高频量化噪声更强,需更强的数字低通滤波器来抑制。

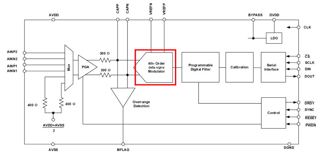
32bit的ADC 这里引入了4阶的滤波器
4 阶低噪声Δ-Σ调制器通过过采样技术将量化噪声再分布拓宽至 DC 到 0.5 倍过采样频率区间内,然后通过数字 滤波器滤除通带以外的噪声。
MASH 的核心思路是:
使用多个稳定的一阶或二阶调制器级联;每一级产生部分位流 + 重构噪声信号;通过差分抵消上级调制器的量化噪声,实现在数学意义上更高阶的 NTF。

Mod1和Mod2
为进一步提升分辨率,可:
使用二阶(Mod2)或更高阶的 Σ-Δ 结构;Mod2 的噪声整形斜率提升为 40 dB/decade。

40db
但高阶调制器容易失稳
解决方案是MASH(Multi-stage Noise Shaping)架构:多级调制器组合,每级都是稳定的一阶调制器;稳定性 + 高阶噪声整形效果。
Sigma-Delta ADC 的核心优势在于:
极高的分辨率(高 ENOB);抗量化噪声能力强(靠噪声整形 + 低通滤波);容忍模拟前端精度较低(因主要误差被整形)。
换句话说,这个ADC出来的数据都不是你之前测量的真实物理数据了,经过了太多次的加工了。

仿真过程
Python 仿真的一阶(Mod1)与二阶(Mod2)Σ-Δ 调制器的工作过程:
可以看到:
Mod1 输出变化较平滑,只能粗略表达输入波形(这里是我搞得有点不像了。。。)
Mod2 输出更密集、更敏感,从而在后续低通滤波/抽取中重建的精度更高

可以看看FFT
展示了 Mod1(一阶)与 Mod2(二阶)Σ-Δ 调制器输出的 FFT 频谱,可以清晰观察到噪声整形效果的差异: