首页
学习
活动
专区
圈层
工具
发布
社区首页 >问答首页 >如何连接电流测量?

如何连接电流测量?
EN

Stack Overflow用户
提问于 2020-05-15 15:26:52
回答 1查看 500关注 0票数 0

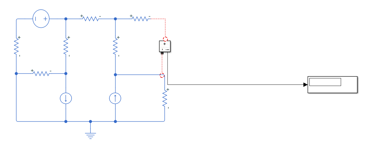
我试图运行这个直流模拟,但我不能连接电流测量块到电路!

谢谢。

EN

回答 1

Stack Overflow用户

回答已采纳

发布于 2020-05-17 17:08:36

很少的事情:

  1. 是您添加的黑色源代码块,来自Simscape专用库。考虑从Simscape->源库中添加一些内容(确保您的网络是蓝色的)
  2. 您的模型缺少一个求解器配置
  3. --向网络显示不测量电流,您需要添加适当的传感器来测量您想要的数量。使用电流传感器测量电流,用电压传感器测量电压,如

等。

修复上面的3应该可以让你的输出。

票数 0
EN
页面原文内容由Stack Overflow提供。腾讯云小微IT领域专用引擎提供翻译支持
原文链接:

https://stackoverflow.com/questions/61822793

复制
相关文章

相似问题

领券
问题归档专栏文章快讯文章归档关键词归档开发者手册归档开发者手册 Section 归档