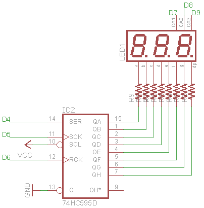
我有一个3.5位数的7段LED显示器,我正试图用Arduino驱动。Arduino使用锁存器(M74HC595)运行移位寄存器。移位寄存器的8输出通过2000欧姆电阻并进入显示器的8段引脚。显示器的三位数控制引脚转到Arduino上的三个引脚。显示器有一个共同的阴极,所以当控制引脚低时,数字就开着,当数字高时,数字就关了。
只要我只点亮一个数字,或者用相同的段点亮多个数字,就可以很好地工作,但是一旦我试图在两位或三位之间切换,一切都会变得一团糟。那些不应该有光的部分,反而有一个微弱的光,这困扰着阅读实际的数字。
如果我在每一位数字之间加上延迟,多余的灯就会变暗一些,但很快整个东西就会因为高延迟而闪烁,而且是不可用的。
我做错了什么吗?
为了启用特定的数字,我在Arduino上设置了控制引脚,例如,我是这样启用第一个数字的:
digitalWrite(digit1, LOW);
digitalWrite(digit2, HIGH);
digitalWrite(digit3, HIGH);然后将一个数字推入移位寄存器,并将其移动到锁存器(从而移至显示器):
digitalWrite(latchPin, LOW);
shiftOut(dataPin, clockPin, MSBFIRST, number);
digitalWrite(latchPin, HIGH);这是我的计划:

发布于 2014-06-09 19:12:49
首先,只有在输出就绪之后,才能通过公共引脚启用数字。第二,看起来你正在用引脚切换数字,并且在数字变得可见后你正在改变它们,因此当你使用不同的数字时,你会得到暗光。
你应该遵循这样的循环。
我们的想法是,这3位数字实际上会闪烁得很快,但对于人类的眼睛来说,它们似乎一直在闪烁。如果首先启用它们,则74595输出上的最后一个数字将有一个值,并且在一小部分时间内可以看到。当您切换到实际值时,它看起来会变暗,因为它可以在较短的时间内看到。当数字相同时,似乎没有什么问题。
https://stackoverflow.com/questions/24127003
复制相似问题