例如:LM2596 最大输入电压26.1V,效率73%,输出3.7V/2A,计算芯片自身功耗Ploss。
输出功率:

输入功率:

芯片自身功耗:

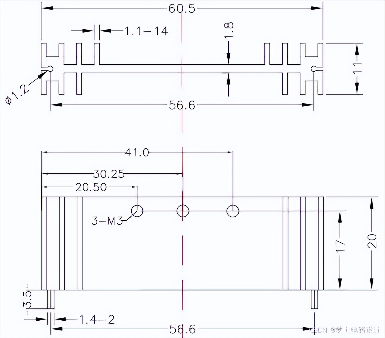
▼散热器的结构尺寸如下图所示。

▼计算此散热器的温升:https://www.lscsc.com/zh/calculators/temperature/heat-sink。

▼我们再对如下图参数的散热器进行计算



▼计算电感、电容的值:https://www.lscsc.com/zh/calculators/circuit/impedance-matching。


▼包括空心电感、铁芯电感、扼流圈等,如下图所示。

▼下面是扼流圈的相关计算:

▼采用在线计算:555定时器计算器,简单快捷。

▼当然也可以使用 Multisim 进行仿真

1)铜条电流计算:https://pcb-tools.cn/copper_current_calculator.php
2)PCB线宽计算:https://www.bchrt.com/tools/pcb-trace-current-calculator/
3)过孔能力计算:https://www.jlc-fpc.com/jlc-counter?page=3
天之道利而不害,人之道为而不争。觉得不错,动动发财的小手点个赞哦!
原创声明:本文系作者授权腾讯云开发者社区发表,未经许可,不得转载。
如有侵权,请联系 cloudcommunity@tencent.com 删除。
原创声明:本文系作者授权腾讯云开发者社区发表,未经许可,不得转载。
如有侵权,请联系 cloudcommunity@tencent.com 删除。