你可能每天都在用 WiFi 刷手机、用电脑连公司内网,但你知道电脑背后那个 RJ45 网口(就是插网线的 “水晶头” 接口)里藏了多少硬件玄机吗?今天我们就从一根网线出发,拆开以太网接口的 “物理层” 秘密,聊聊它的拓扑结构、核心芯片、信号传输,甚至连 “为什么网线要拧成麻花” 这种细节都给你讲清楚。

20 世纪 80 年代的以太网像极了 “共享单车道”—— 所有设备都挂在一根同轴电缆上(比如 10BASE5 粗缆或 10BASE2 细缆)。这根电缆就是 “总线”,数据像广播一样在总线上传播:

但这种结构有个致命问题:一根线断,全网瘫。就像一条单车道的路中间塌了,所有车都走不了。
90 年代后,以太网进化成了星型拓扑,核心是一台交换机(Switch)。每个设备通过独立的双绞线连到交换机,就像多车道的公路,每辆车(设备)有自己的 “专用车道”:

小知识:现在家庭用的 “路由器” 其实集成了交换机功能(比如它背后的 4 个网口),所以你家的 WiFi 和有线设备都挂在这颗 “星” 上。
拆开电脑或路由器的网口,你会看到这样的结构:
[RJ45网口] ←→ [网络变压器] ←→ [PHY芯片] ←→ [MAC控制器] 我们逐个拆解这些 “硬件零件”:

RJ45 是我们最熟悉的部分 —— 那个 “水晶头” 接口,有 8 个金属触点(引脚)。但你知道吗?不是所有引脚都在工作:
冷知识:网线里的 8 根线为什么要两两拧成麻花? 拧成 “双绞线” 是为了抗干扰!两根线在传输差分信号时,外部干扰(比如电磁噪声)会同时影响两根线,但差分信号只取两者的电压差(干扰被抵消),就像 “两个人一起走,风吹雨打都不怕”。

RJ45 网口后面跟着一个黑色的 “小方块”,就是网络变压器(也叫 “隔离变压器”)。它的作用像 “保镖”:
PHY(物理层芯片)是以太网接口的 “核心大脑”,负责把数字信号转成能在网线上传输的模拟信号,反之亦然。
网线模拟信号 → PHY芯片(ADC转换)→ 数字信号 → MAC层
数字指令 ← PHY芯片(DAC转换) ← MAC层 ← 操作系统 关键能力:
🌰 类比:PHY就像一位同声传译员——把网线的“电流语言”翻译成CPU能理解的“数字语言”
车载以太网PHY架构示例(主流方案):

MAC通常集成在CPU中,PHY独立存在以优化抗干扰性能
MAC(介质访问控制)通常集成在 CPU 或网卡芯片里,是以太网的 “协议大脑”。它的工作像 “快递员”:
小对比:PHY 和 MAC 的关系就像 “翻译官” 和 “外交官”—— 外交官(MAC)负责写 “信”(封装数据),翻译官(PHY)负责把 “信” 翻译成对方能懂的 “语言”(电信号),再通过 “邮局”(网线)送出去。

MAC 和 PHY 之间需要 “对话”,这个对话的 “语言” 叫MII(Media Independent Interface,媒体独立接口)。它定义了两者之间的信号和时序,就像规定 “先说你好,再说内容” 的聊天规则。

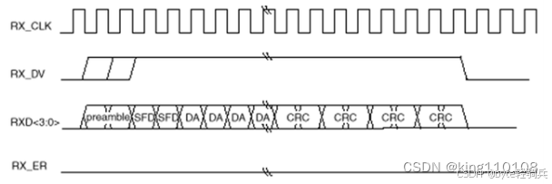
MII 有 16 根信号线,最核心的是这几个:
信号名 | 方向 | 功能描述 |
|---|---|---|
TXD[3:0] | MAC→PHY | 发送数据(4 位并行,百兆下每时钟传 1 字节) |
TX_CLK | PHY→MAC | 发送时钟(25MHz,百兆下 25MHz×4=100Mbps) |
TX_EN | MAC→PHY | 发送使能(高电平表示 TXD 数据有效) |
RXD[3:0] | PHY→MAC | 接收数据(4 位并行) |
RX_CLK | PHY→MAC | 接收时钟(与对端 PHY 同步,通常 25MHz) |
RX_DV | PHY→MAC | 接收数据有效(高电平表示 RXD 数据有效) |
MAC 要发数据时,PHY 会先给一个TX_CLK(25MHz 的方波)。MAC 在 TX_CLK 的上升沿把数据放到 TXD 线上,并拉高 TX_EN 表示 “数据有效”。PHY 则在 TX_CLK 的下降沿读取 TXD 的数据 —— 就像两个人传球,一个人(MAC)在钟摆到最高点时把球(数据)放好,另一个人(PHY)在钟摆到最低点时接球。
MII 发送时序图如图:

MII 接收时序图如图:

百兆 MII 用了 16 根线,对手机、路由器等小设备来说太占引脚。于是有了RMII(Reduced MII,简化媒体独立接口),只用 7 根线:
以太网的速率从 10Mbps(10BASE-T)发展到 10Gbps(10GBASE-T),背后是编码方式的升级 —— 就像用不同的 “密码本” 翻译 0 和 1 的电信号。
10M 时代用的是曼彻斯特编码:每个比特(0 或 1)用两个电平变化表示:
这种编码的好处是 “自带时钟”—— 接收方可以从电平变化中提取时钟,不需要额外的时钟线(但缺点是带宽利用率低,10Mbps 需要 20MHz 的信号频率)。
百兆以太网用了更聪明的编码:
千兆以太网用PAM-5(5 级脉冲幅度调制):每个符号用 5 种不同的电压(比如 - 2V、-1V、0V、+1V、+2V)表示 2 位数据(5 种状态对应 00、01、10、11、无效)。同时,千兆用了 4 对双绞线(8 根线),每对同时收发数据,再通过回波抵消技术消除自己发送信号对接收的干扰(就像你打电话时,手机能过滤自己说话的回声)。
提示:家用千兆选 CAT5e 足够,别花冤枉钱买 CAT6—— 除非你家布线走天花板,需要更好的抗干扰。
早期的集线器(Hub)需要用交叉线(1-3、2-6 引脚交换)连接两台电脑,而直通线(引脚一一对应)用于电脑连 Hub。但现在的交换机和路由器都支持Auto-MDIX(自动翻转),不管插直通线还是交叉线,都能自动调整引脚,所以你随便拿根网线插就行。
如果变压器损坏,可能出现:
从一根双绞线到 PHY 芯片,以太网接口的硬件设计充满了 “抗干扰”“高效传输” 的智慧。简单总结一下:
下次你插网线时,不妨想想:这根 “麻花线” 里藏着这么多硬件秘密 —— 从 10M 到 10G,从总线到星型,以太网用 40 年时间,把 “数据传输” 这件事,做到了又快又稳。