
周报汇总地址:http://www.armbbs.cn/forum.php?mod=forumdisplay&fid=12&filter=typeid&typeid=104

更新一期视频教程
【授人以渔】CMSIS-RTOS V2封装层专题视频,一期视频将常用配置和用法梳理清楚,适用于RTX5和FreeRTOS(2024-09-28) https://www.armbbs.cn/forum.php?mod=viewthread&tid=125907
视频版:
https://www.bilibili.com/video/BV1wjxmeZEZv/
目录 1、历时三年的雷电USB4开源示波器,4通道,带宽350MHz,卓越的模拟前端低噪,采样率1Gsps便携示波器终于发布 2、硬件开源,自带100W电源的便携智能烙铁 3、USB组件更新 (1)CherryUSB (2)tinyUSB 4、使用LUA开发的数字电路构建模拟小游戏 5、ARM发布PSA物联网认证2024安全报告 6、Micrchip推出的自家GUI开发软件MGS 7、芯片资讯 (1)新唐推出Cortex-M55 + Ethos-U55 NPU的AI单片机M55M1,提供无痛AI开发环境 (2)兆易创新GD32A7系列全新一代车规级MCU发布 (3)NXP的AI单片机iMX RT700发布,带7.2MB片上SRAM 8、模拟矩阵键盘推出树莓派RP2350B板 9、芯片IC (1)TI推出具有 I2C 接口的四通道、16 位、高精度、电流、电压、功率和能量监控器 (2)Microchip的航空和国防通信杂志发布第22期 (3)业界首款SD V8.0规范SD卡,读速度1700MB/S,写速度1000BM/S,媲美SSD 10、NASA航空航天锂电池设计 11、IDE相关 (1)Embedded Studio V8.18发布 (2)MDK5.41发布 (3)Matlab 2024b发布 12、RTOS (1)uCOS全家桶终于迎来2024年的第1次中间件更新,升级网络协议栈 (2)SEGGER embOS推出Linux端模拟器 13、H7-TOOL 本周进展 (1)新增多款脱机烧录芯片支持 (2)初步为H7-TOOL的CAN/CANFD助手做了个负载率检测
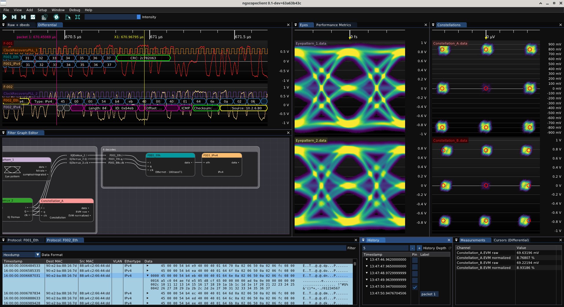
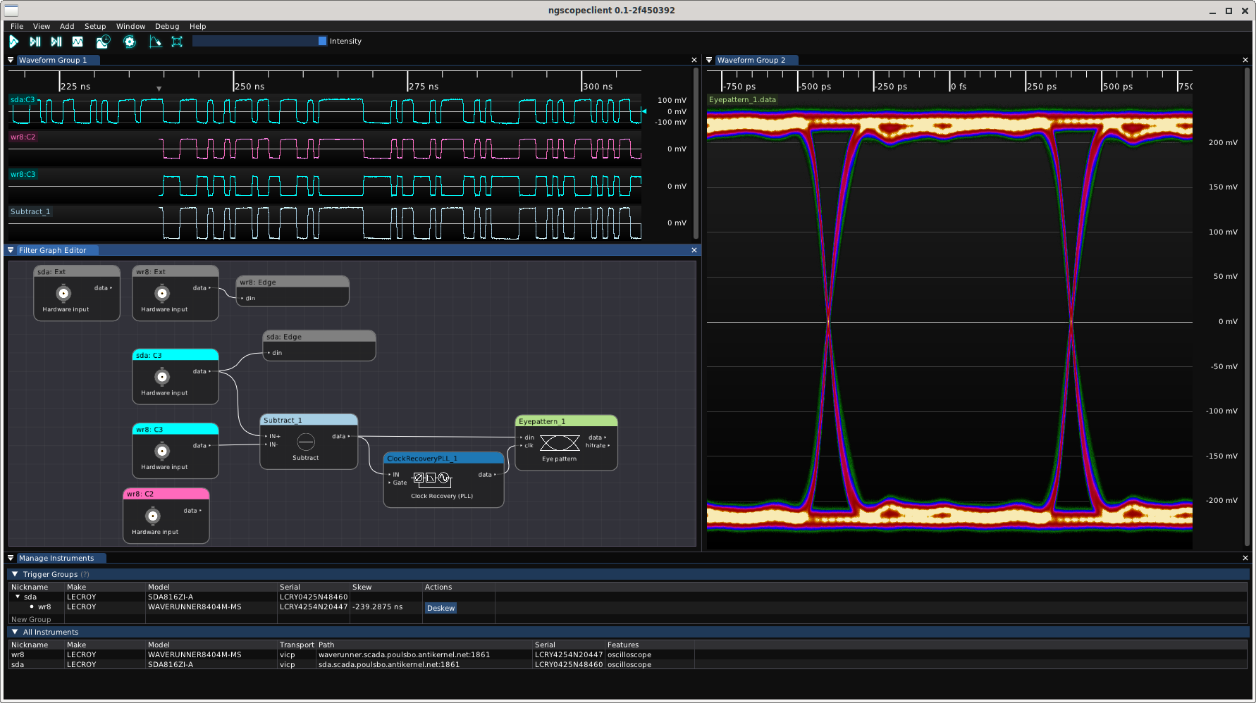
1、历时三年的雷电USB4开源示波器,4通道,带宽350MHz,卓越的模拟前端低噪,采样率1Gsps便携示波器终于发布
这个项目最早是2021年末给大家分享的,以为他们不再更新了
https://www.armbbs.cn/forum.php?mod=viewthread&tid=109694
近期迎来好消息,正式版发布了,并且功能更加强劲。
1、规格:
雷电USB4接口,速度高达1GB/s(8Gbps)
单通道带宽350MHz,双通道200MHz,四通道100MHz
采样率1Gsps,支持8bit和12bit

350MHz带宽情况下,超强的底噪,正负0.1 - 0.2mV

2、上位机软件直接使用ngscopeclient
一款超高性能信号量测量,协议分析的开源跨平台上位机工具,核心算法全开源
https://www.armbbs.cn/forum.php?mod=viewthread&tid=124162





3、硬件效果:




4、开源下载汇总
https://www.crowdsupply.com/eevengers/thunderscope


2、硬件开源,自带100W电源的便携智能烙铁
Quo1cqonNuOXkovV.pdf (1.05 MB)
https://zh.ifixit.com/Device/FixHub_Portable_Soldering_Station
电源输出功率为100w,55 w时电池可支持连续焊接 8 小时以上

3、USB组件更新
1、CherryUSB
坛友“初晴sama”设计的USB协议栈越来越好,越来越完善
https://github.com/cherry-embedded/CherryUSB/releases/tag/v1.4.0
当前更新至V1.4.0版本


2、tinyUSB
更新至V0.17.0, 更新记录有点长,部分截图如下
https://github.com/hathach/tinyusb

4、使用LUA开发的数字电路构建模拟小游戏
https://github.com/lets-all-be-stupid-forever/circuit-artist
挺有意思的一个小设计,大家有兴趣可以看看


5、ARM发布PSA物联网认证2024安全报告
PSA_Certified_2024_Security_Report.pdf (7.67 MB)
PSA是ARM在2017年推出的物联网安全框架,后面逐渐形成了一个完善的认证考核等级,Level1,Level2,Level3和Level4,其中Level4是最高等级认证。

6、Micrchip推出的自家GUI开发软件MGS
https://www.microchip.com/en-us/ ... chip-graphics-suite https://developerhelp.microchip. ... armony-guide/start/
自家MCU和MPU免费使用,支持各种驱动方式,并且有自家的图形化创建软件




7、芯片资讯
1、新唐推出Cortex-M55 + Ethos-U55 NPU的AI单片机M55M1,提供无痛AI开发环境
https://www.nuvoton.com/ai/product/
M55M1 微控制器配备 220 MHz Arm Cortex-M55 CPU 和 220 MHz Arm Ethos-U55 NPU,旨在增强 AI 处理能力。
支持机器学习推理以及 CNN 和 RNN 算法的操作。该微控制器具有 1.5 MB 的 SRAM 和 2 MB 的闪存,可以使用 HYPERBUS 接口进行扩展,以添加 HYPERRAM 或 HYPERFLASH。
M55M1 微控制器在 1.6V 至 3.6V 的低电源电压范围内工作,可在 -40°C 至 +105°C 的极端温度下可靠运行。 为了进一步优化系统功耗、安全性和性能,M55M1 具有三个独特的功能: 1、当 CPU 进入低功耗睡眠模式时,图像传感器、麦克风和各种其他传感器可以继续运行,监控预定义的事件,如人体存在、声音或振动检测。 2、它允许将机器学习模型数据存储在只有 NPU 才能访问的区域,而不是 CPU 可以访问的区域,防止恶意程序窃取模型数据并保护知识产权。 3、M55M1 还实现了用于正弦和余弦计算的硬件电路,这些电路在自定义 Arm 指令中定义,允许应用软件有效地访问这些功能。 4、在模拟和控制功能方面,M55M1 系列具有 2 组 12 位 5MSPS SAR ADC、2 组 12 位 1MSPS 缓冲 DAC、4 个模拟比较器、1 个内置温度传感器、1 个内部电压参考模块、高达 24 通道 200 MHz PWM 输出、4 个 QEI 和 4 个输入捕获单元。 5、M55M1 系列还提供丰富的通信和外设接口,包括可配置为 UART/SPI/I 的通用串行控制接口 USCI,最多10组UART,4组SPI/I2S、4 套 I2C、2 组 CAN FD、2 组 QSPI、1 个 USB 2.0 高速 OTG/主机/设备、1 个 USB 2.0 全速 OTG/主机/设备、1 个 10/100 带 RMII 的以太网 MAC、1 个 8 位并行摄像头接口 (CCAP)、2 个带内部滤波器的 PDM 和 2 个 SDIO。 NuEzAI-M55M1 开发工具大大简化了端点 AI 开发过程。即使之前没有端点 AI 经验的开发人员也可以轻松创建和部署 AI 模型。该平台非常适合用作早期开发评估套件,使开发人员能够快速上手并缩短上市时间。



2、兆易创新GD32A7系列全新一代车规级MCU发布
https://www.gigadevice.com.cn/about/news-and-event/news/gigadevice-launches-gd32a7xx-mcu
GD32A71x/GD32A72x/GD32A74x系列车规级MCU采用了ortex-M7内核,分别支持单核、双核、单核锁步三种选项,主频160MHz,算力763 DMIPS,并配备了最高4MB片上Flash和512KB SRAM,支持双Flash BANK,可满足无缝OTA升级需求。
芯片采用2.97-5.5V宽电压供电,能在-40℃~+125℃的工作温度范围内稳定运行,符合AEC-Q100 Grade1标准,工作寿命15年以上。


3、NXP的AI单片机iMX RT700发布,带7.2MB片上SRAM
https://www.nxp.com/products/pro ... pu-cores:i.MX-RT700


8、模拟矩阵键盘推出树莓派RP2350B板
https://www.crowdsupply.com/architeuthis-flux/jumperless-v5
这个是去年hackaday大赛的一个作品,今年继续更新,推出RP2350版
折腾跳线帽是大部分板子的常规操作,但分享的这个板子则不然,它旨在用模拟开关矩阵替换所有这些电线。大家所要做的就是插入器件并在配套 GUI 上进行虚拟连接。
同时还具有许多内置功能,例如DAC和ADC,可以根据需要在原型下切换电路。它还在面包板区域嵌入了一些LED,可以点亮并提供彼此连接的视觉提示




9、芯片IC
1、TI推出具有 I2C 接口的四通道、16 位、高精度、电流、电压、功率和能量监控器
https://www.ti.com.cn/product/cn/INA4230


2、Microchip的航空和国防通信杂志发布第22期
大家有兴趣可以看看
https://page.microchip.com/rs/93 ... fense_Sept_2024.pdf

3、 业界首款SD V8.0规范SD卡,读速度1700MB/S,写速度1000BM/S,媲美SSD
这真是逆天速度,之前速度规范:


卡的速度是达到了,但是配套的,支持SD8.0卡的设备还不存在

10、NASA航空航天锂电池设计
https://ntrs.nasa.gov/api/citati ... ads/20150020936.pdf
这是一篇PPT文档,可以让大家了解航空航天锂电池设计
20150020936.pdf (8.09 MB)

11、IDE相关
1、Embedded Studio V8.18发布
https://www.segger.com/downloads/embedded-studio/


2、MDK5.41发布
更新记录

3、Matlab 2024b发布
https://ww2.mathworks.cn/product ... atest_features.html
主要更新 5G Toolbox - 探索候选 6G 波形生成;使用无线波形分析器对采集的 5G 波形执行信号质量评估。 DSP HDL Toolbox - 使用交互式 DSP HDL IP 设计器自定义、配置 DSP 算法,并生成 HDL 代码和验证组件。 Simulink Control Design - 设计和实现非线性与数据驱动控制方法,如滑动模式和迭代学习控制。 System Composer - 编辑子视图;用活动和序列图描述系统行为。
功能迁移
Embedded Coder - 从 R2024b 开始,SoC Blockset Support Package for Infineon® AURIX™ Microcontrollers 已合并到 Embedded Coder Support Package for Infineon® AURIX™ TCx4 Microcontrollers 中。
版本亮点


12、RTOS
1、uCOS全家桶终于迎来2024年的第1次中间件更新,升级网络协议栈
【前言】
之前的更新的帖子说明
好久没关注uCOS系统的消息了,全家桶免费后,竟一直以全新的名字Flexible Safety RTOS登场,且一直在更新
https://www.armbbs.cn/forum.php?mod=viewthread&tid=123820
【更新】
uCOS全家桶开源免费后,他们的官网就被Weston Embedded Solutions 接管了,并且修改了域名,原来的域名会自动跳转到Silicon Labs。主免费后,Gihub上几乎没什么更新了。

但是Weston Embedded Solutions 接管的网站上,他们是有更新的。2024年能迎来首次更新,确实不容易。
如果能同步到Github就更好了

2、SEGGER embOS推出Linux端模拟器
SEGGER 发布了两个新的 embOS 仿真模拟器:embOS Sim Linux 和 embOS-MPU Sim Linux。
通过模拟 Linux 主机系统上的硬件,取代物理硬件,为开发人员提供了一种无缝的方式来构建原型和测试应用程序。
embOS Sim Linux 端口支持 32 位和 64 位系统,并为每个任务控制块提供 RAM 使用率为 132 字节和 60 字节的内核。embOS-MPU Sim Linux 针对 32 位系统进行了优化,内核使用 156 字节的 RAM,每个任务控制块使用 332 字节。
两种仿真都包括一个即用型板级支持包 (BSP)。
新的 Linux 端口补充了 SEGGER 现有的 Windows embOS 仿真,扩展了对嵌入式软件开发的平台支持。embOS 当前支持的所有内核和编译器的列表可在此处获得:
https://www.segger.com/products/ ... bos-ports-overview/
部分截图

13、H7-TOOL 本周进展
H7-TOOL详细介绍:https://www.armbbs.cn/forum.php?mod=viewthread&tid=89934
1、新增多款脱机烧录芯片支持
(1)新增国民技术N32H47x 、N32H48x系列
(2)增加富芮坤FR8008, FR8003, FR2012支持
(3)新增芯片CW32L010系列
(4)增加3PEAKS思瑞浦混合信号单片机TPS32M支持
(5)增加对澎湃微PT32F030支持



2、初步为H7-TOOL的CAN/CANFD助手做了个负载率检测
CAN负载率(CAN bus load rate)是指在单位时间内,CAN总线上实际传输的位数与理论上可以传输的位数的比值。简单来说,它表示总线的实际数据传输速率与总线带宽的占比
初步做了个效果展示,将其展示到LCD显示屏顶栏


动态:
