首页
学习
活动
专区
圈层
工具
发布
首页
学习
活动
专区
圈层
工具
MCP广场
社区首页 >专栏 >分享多款适用于锂电池产品的升压恒压芯片充电控制IC2.7V3.7V4.2V升5V9V12V24V

分享多款适用于锂电池产品的升压恒压芯片充电控制IC2.7V3.7V4.2V升5V9V12V24V

原创
作者头像
惠海小炜
发布2025-08-27 10:44:00
发布2025-08-27 10:44:00
2840
举报

惠海小炜

惠海半导体多款适用于锂电池产品升压的芯片,以下是一些常见的芯片及其特点:

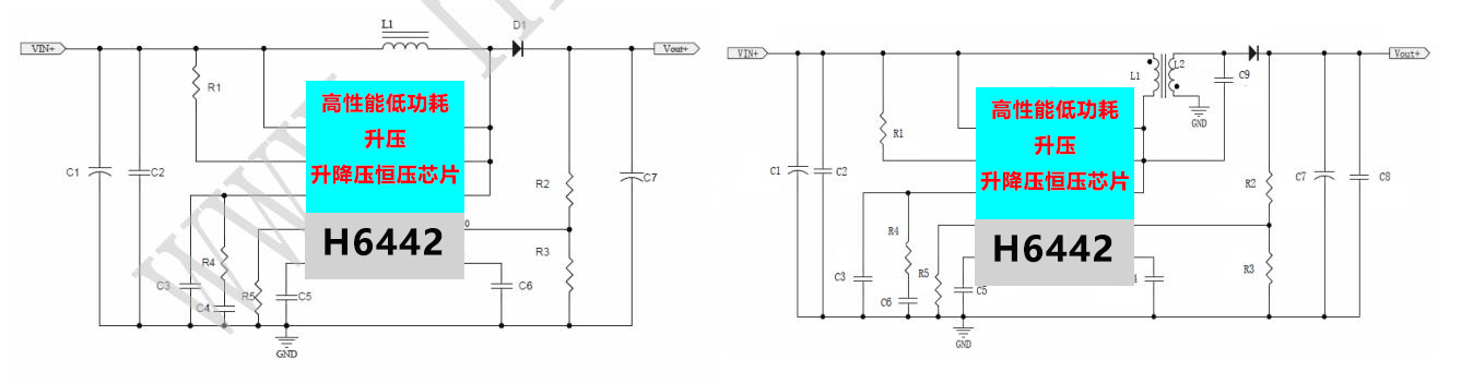
H6442 升压恒压 IC:宽输入电压范围为 2.8-40V,低启动电压为 2.5V,转换效率大于 95%。带 EN 脚,可使能控制,关断输出,节省电能。具备输出过压保护、过温保护等多种保护功能,可应用于 2.7V、3.7V、4.2V 升 5V、9V、12V、24V 锂电池应用芯片方案,为移动设备、音频功放模块、摄影灯光等提供稳定的升压恒压输出。

H6392 升压恒压芯片:输入电压范围为 2.6-5V,内置 18V/0.2Ω 功率 MOSFET,可使输出电压可调,最高可达 12V,可调过电流保护范围为 1.2-2.5A。芯片恒压精度≤±4%,固定工作频率 1MHz,低待机功耗 < 0.1μA,支持过温保护功能,采用 ESOP-8 封装,适用于锂电池升压恒压电源、充电器、数码相机、手持设备等领域。

H6922 升压型双节锂电池充电控制 IC:适用于 2.8-40V 输入电压范围的升压恒压电源应用领域,启动电压低至 2.5V。芯片会根据负载的大小自动切换 PWM、PFM 和 BURST 模式以提高各个负载端的电源系统效率。通过 EN 脚可实现低待机关机功能,EN 脚被拉低时,流入芯片内部的电流小于 2μA。还可通过 ROSC 脚设置系统开关频率,支持逐周期的限流保护、输出过压保护以及过温保护。

H6843 升压恒压芯片:输入电压范围 2.7-25V,启动电压低至 2.5V,输出电压可调,最高 36V,支持 9A 大电流,可做 200W 大功率,转换效率高可达 95%,待机功耗低,EN 拉低时关机电流 < 2μA。具备过压保护、过流保护、过温保护等多重保护机制,可根据负载大小自动切换 PWM、PFM 和 BURST 模式,采用闭环反馈控制,输出电压波动小,低 EMI 设计,易过认证,适用于太阳能、锂电池以及音频功放模块供电等领域。

锂电池产品升压方面有多种应用案例,以下是一些具体的例子:

无人机升压:无人机通常使用锂电池供电,锂电池电压在放电过程中会从 4.2V 逐渐降至 3.0V。惠海 H6922 芯片可实现 2.8V 到 5V 持续输出 7.5A,能让穿越机在整个飞行过程中保持稳定供电,确保无人机的各项功能正常运行,而且其 BOM 成本比一些同类方案更低。

户外音响供电:户外音响采用太阳能板供电时,太阳能板输出电压会在 12V-36V 之间飘忽不定,容易导致功放芯片频繁重启。使用 H6922 芯片,通过在 ROSC 脚接电阻可自定义开关频率为 260kHz,有效解决了啸叫问题。还可将其 EN 脚接单片机 IO 口实现远程断电重启,接光敏电阻实现光线变暗自动休眠,满足户外音响不同使用场景需求。同时,该芯片散热性能好,实测温度仅 45℃,远低于竞品的 89℃,保障了音响在户外长时间稳定工作。

LED 照明:惠海的升压恒流芯片可用于台灯、美甲灯、摄影灯、手持式光疗设备等 LED 照明设备中。这些芯片具有高精度的恒流效果,输出电流恒流精度≤±3%,高效的转换效率,大于 95%,以及完善的保护机制,如过温降电流和输出过压保护等,确保了 LED 照明的稳定性和可靠性。

原创声明:本文系作者授权腾讯云开发者社区发表,未经许可,不得转载。

如有侵权,请联系 cloudcommunity@tencent.com 删除。

原创声明:本文系作者授权腾讯云开发者社区发表,未经许可,不得转载。

如有侵权,请联系 cloudcommunity@tencent.com 删除。

评论
登录后参与评论
0 条评论
热度
最新
推荐阅读
领券
问题归档专栏文章快讯文章归档关键词归档开发者手册归档开发者手册 Section 归档