首页
学习
活动
专区
圈层
工具
发布
首页
学习
活动
专区
圈层
工具
MCP广场
社区首页 >专栏 >Xilinx FPGA 7系列 GTX/GTH Transceivers

Xilinx FPGA 7系列 GTX/GTH Transceivers

作者头像
FPGA技术江湖
发布2025-02-05 15:13:25
发布2025-02-05 15:13:25
7210
举报
文章被收录于专栏:FPGA技术江湖FPGA技术江湖

1概述

Xilinx 7系列FPGA全系所支持的GT,GT资源是Xilinx系列FPGA的重要卖点,也是做高速接口的基础,GT的意思是Gigabyte Transceiver,G比特收发器。不管是PCIE、SATA、MAC等,都需要用到GT资源来做数据高速串化和解串处理,Xilinx不同的FPGA系列拥有不同的GT资源类型,低端的A7由GTP,K7有GTX,V7有GTH,GTZ被用于少数V7系列,更高端的U+系列还有GTY等,他们的速度越来越高,应用场景也越来越高端。。。

7系列FPGA GTX和GTH收发器是功率高效的收发器,GTX收发器支持500 Mb/s至12.5 Gb/s的线路速率,GTH收发器支持13.1 Gb/s的线路速度。GTX/GTH收发器具有高度可配置性,并与FPGA的可编程逻辑资源紧密集成。

高速收发器性能对比

2 GTX/GTH收发器支持以下使用模式

关于GTX介绍最详细的肯定是Xilinx官方的《ug476_7Series_Transceivers》 以此来解读GTX:

GTX/GTH收发器支持以下使用模式:

• PCI Express, Revision 1.1/2.0/3.0

• 10GBASE-R

• Interlaken

• 10 Gb Attachment Unit Interface (XAUI), Reduced Pin eXtended Attachment Unit

Interface (RXAUI), 100 Gb Attachment Unit Interface (CAUI), 40 Gb Attachment Unit

Interface (XLAUI)

• Common Packet Radio Interface (CPRI™)/Open Base Station Architecture Initiative

(OBSAI)

• OC-48/192

• OTU-1, OTU-2, OTU-3, OTU-4

• Serial RapidIO (SRIO)

• Serial Advanced Technology Attachment (SATA)/Serial Attached SCSI (SAS)

• Serial Digital Interface (SDI)

• SFF-8431 (SFP+)

3 GTX内部基本结构

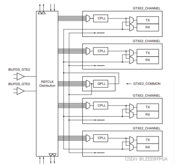
如下图所示,Xilinx以Quad来对串行高速收发器进行分组,四个串行高速收发器(GTXE2_CHANNEL)和一个 GTXE2_COMMOM组成一个 Quad,每一个串行高速收发器称为一个 Channel(通道)。

一个QUAD的内部结构如下图所示,由四个GTXE2_CHANNEL 原语和一个GTXE2_COMMON原语组成。

GTXE2_COMMON原语包含一个LC-tank PLL(QPLL)。

每一个GTXE2_CHANNEL 原语包含一个TX,一个RX和一个CPLL。

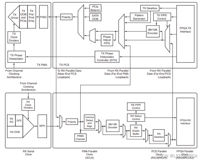
下图为GTXE2_CHANNEL原语内部结构。

GTXE2_CHANNEL 的发送端和接收端功能是独立的,均由 PMA(Physical Media Attachment,物理媒介适配层)和 PCS(Physical Coding Sublayer,物理编码子层)两个子层组成。其中 PMA 子层包含高速串并转换(Serdes)、预/后加重、接收均衡、时钟发生器及时钟恢复等电路。PCS 子层包含8B/10B 编解码、缓冲区、通道绑定和时钟修正等电路。

从上图中可以看到单个 Channel 由发送接口和接收接口组成,每个接口又分为两部分结构,这两部分结构分别是 PMA 和 PCS。PMA 和 PCS 内部又由许多功能模块构成。

3.1 8b10b编解码

通常说8b10b是一个编码方式。在这里还指GTX PCS中的一个模块。

作为编码,8b10b有平衡电平,防止连续1/0的功能。编码分为正负码和特殊K码。最常用的K码应该是k28.5。8b10b最大的优势在于自带错误检测。当出现8b10b错误的时候,大概率是链路质量有问题。8b10b最大的劣势是效率比较低,有20%的额外开销,所以常用于低于8G的场景,最常见的、使用8b10b、同时又高于8G线速率的似乎是CPRI Rate7,线速率9.8G左右。除了8b10b之外,还有其他很多编码方式,比如64b66b。

3.2 PRBS

PRBS是伪随机序列码,GTX自带了PRBS的生成器(在TX内部)和PRBS接收/检查模块(在RX内部)。ibert中的误码率检查就是基于内置的PRBS模块。

从结构图可以看到,PRBS和8b10b没有项目连接的直接关系,所以ibert的测试中没有使用8b10b编码(也没有使用其他编码)。同时内部的PRBS也不支持使用其他编码。所以如果想在GTX外部使用PRBS信号源,可以另外单独做PRBS的生成器和校验模块。Xilinx似乎是有相关参考设计的。

3.3 QPLL和CPLL

已经知道四个GTX为一组,称呼为Quad,每个GTX称呼为Channel,就很容易理解QPLL和CPLL了。QPLL是一个Quad共用的PLL,GTX一个Quad只有一个QPLL。CPLL是每个Channel独有的PLL。

QPLL时钟源结构图

CPLL源时钟结构图

从底层角度看,由于CPLL是每个Channel独有的,所以CPLL的所有接口都在Channel这个底层模块中。而QPLL是另外使用了一个叫common的底层模块。

GTX中QPLL和CPLL,除了数目(一个Quad一个QPLL四个CPLL)和归属(QPLL属于common,CPLL属于Channel)不同之外,最大的不同在于支持的最高线速率频率不同。CPLL最高只有6.xG,而QPLL可以超过10G(具体数值要根据器件的速度等级来查询DataSheet)。

即使QPLL工作在很高的线速率下,Channel也可以工作在较低的线速率下。具体的实现方案就是

  1. 使用Channel自带的CPLL而不用QPLL;

2.Channel可以将QPLL的速率按2的倍数进行降低;这样同一个参考时钟下,一个Quad的不同GTX有机会跑在不同的线速率下。当然这一需求需要更多的操作,IP本身无法实现

本文参与 腾讯云自媒体同步曝光计划,分享自微信公众号。
原始发表:2025-02-04,如有侵权请联系 cloudcommunity@tencent.com 删除

本文分享自 FPGA技术江湖 微信公众号,前往查看

如有侵权,请联系 cloudcommunity@tencent.com 删除。

本文参与 腾讯云自媒体同步曝光计划  ,欢迎热爱写作的你一起参与!

评论
登录后参与评论
0 条评论
热度
最新
推荐阅读
领券
问题归档专栏文章快讯文章归档关键词归档开发者手册归档开发者手册 Section 归档