今天这个东西呢,也是ADI的U的二次封装的产品,但是做了一些有趣的设计,所以来分析,以及我也要设计类似的东西。
Emstat pico ADuCM355电化学模组详细解读 这篇是去年的分析文章。

为了使电化学传感器工作,需要搭建的电路系统被称为恒电位电路。以三端式电化学气体传感器为例,如图所示。需要搭建的电路包括偏置电压源、电位保持、电流转电压、滤波、模数转换等,再送入MCU中进行数据处理。
ADC电路之前的信号为TIA电路转换的电压信号,与气体的浓度值成比例变化,根据传感器的氧化或还原反应,TIA电路转换的电压可能正向变化,也可能反向变化。
整体电路的元器件包含了精密运放、精密电阻、高性能ADC等,每个部位的电路设计都有其理论支撑,对工程师的模拟信号电路知识储备要求高。

最基本和常用的测量原理是基于恒电势器。如图所示,恒电势器测量和控制工作电极(WE)和参考电极(RE)之间的电压。通过调节流过计数器或辅助电极的电流,工作电极的电势相对于参考电极保持恒定。

最简单的电流测量方法是对传感器施加偏置电压并测量响应电流。其中,在RE和WE之间施加一个恒定电压,然后使用电流-电压转换器和模数转换器(ADC)将电流剖面转换为数字信号。

大多数用于所述测量的传感器可以通过ADuCM355输入直接操作。例如,用于恒电势器测量,如血糖测量。
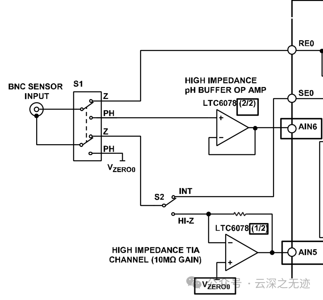
与此相对,实现更准确的测量(例如电导率和pH值)需要用到扩展信号链,所以也需要采用外部芯片,例如LTC6078。
这个也是后面模块的一个选型,以及温度传感器也是后面选型的一个关键。
这个运放它增加了输入阻抗,以适应传感器的高输出阻抗,从而获得准确的读数。
除了前面描述的测量以外,还需要测量温度,以补偿传感器的波动。扩展测量原理如上图所示。
借助较大的信号链,ADuCM355可以读取电压和电流值。在所示的电路中,可以检测到范围小于100Ω至10MΩ的阻抗。较大的测量范围可以覆盖医疗领域所需的整个阻抗图谱。
而且是话说回来,集成器件也做不小:

展示一个我手工焊接的测量器件

这个是集成器件设计的开发板
接下来看他们做的这个模块:
对于电化学又时候要长时间测量,这个低功耗是确实有用的。
邮票孔设计是宜于表面贴装

对于接口,就控制串口和烧录SWD
这个上面也有更详细的介绍,而且看这个表面,外围的原件很少

这里看,功能接口,阻抗测量+PH+电导率+模拟电压+EIS
因为这个功能有助于后面分析集成的芯片的作用。
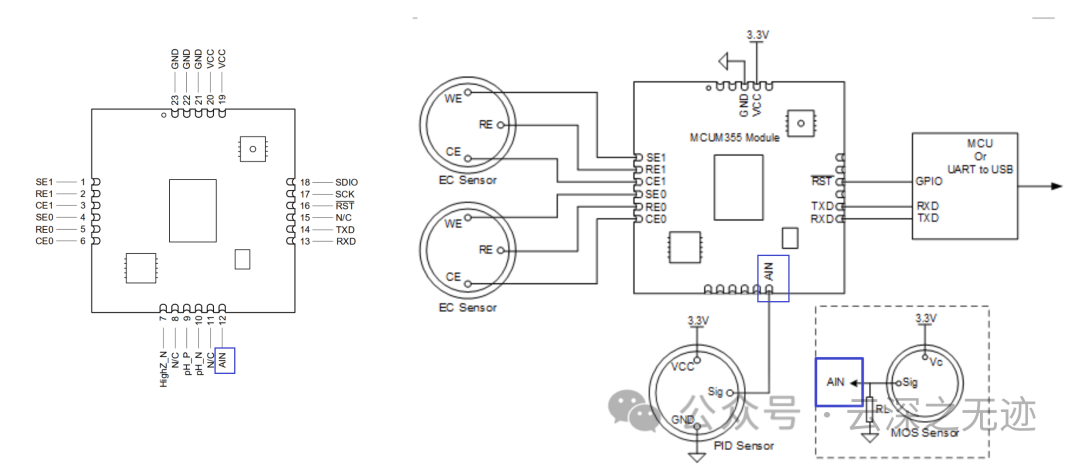
MCUM355的板上包含1只ADUCM355芯片、1只LTC6078高阻运放、1只SHT31型号的温湿度传感器、以及一些必要的外围被动器件。

这个图是我们分析的重点,而且上面都写了一些重要的符号,让我这个练习快一年的工程师分析一下。

这么多的接口怎么看?数据手册是我们最终的归宿~

AIN5,6+Vzero6

然后看这个,没有看到AIN5,是0,不是1

在这里

这次看懂了,就是拓展了ADC的信号链

这里第一组测量

第二组

引出了三个ADC,AIN2是单独输出的

校准

在这里

好,加了个小传感器
SHT31是一款精密温湿度传感器,在气体探测场景中,温湿度可以作为环境指标扩充和结果校正依据。

也就是说,这个是精密的参考电阻
此外,板上还设置了若干精密电阻,用于ADUCM355的内部模拟电路校正,以及作为水质测量过程的参照电阻。

这个是常规的接口

也就是这里

接下来的内容是重要的,也是需要甄别的内容:
搭建水质检测应用时,主要是基于单模块实现水温、pH值、ORP值、电导率4种参数的测量。

传感器连接方案如图所示,水温传感器连接电化学1通道,水温传感器的原理是热电阻,这种方式利用的是其恒电位电路间接测量电阻值的原理。
pH电极连接的是模块上专用的通道,主要是由于其高阻输出的特性,同时pH电极也能够反映被测液体的ORP值。(氧化还原反应电位)
电导率探头通常与电导率仪一起使用,是一种用于测量溶液电导率的设备。溶液的电导率表明其导电能力,并且与溶液中离子浓度直接相关。
对于电导率电极,其阳极端连接模块的电化学0通道,阴极端可连接电化学0通道或专用高阻通道,这取决于被测液体的阻抗范围:
如果是低阻液体(导电性强),则可连接电化学0通道的WE0引脚
如果是高阻液体(导电性弱),则需要如图所示连接高阻接口。

这就是高阻接口
这种情况下,由于液体的导电性强,电流容易通过,因此可以使用标准的电化学通道来进行测量。低阻液体通常意味着较高的离子浓度,例如盐水或酸碱溶液等。
在高阻液体中,由于离子浓度低,导电性较弱,电流更难通过,这可能导致测量不稳定或准确度下降。
因此,采用专用的高阻通道可以提高测量的准确性和稳定性。高阻通道通常具有更高的输入阻抗和专门的电路设计,以优化对低电流的测量。也就是我接下来要说的。
也就是小电流的测量,高阻而且微弱电流,然后呢?是不是需要TIA呀!
我化学学的最不好了,现在出来当人了。。。
其中阳极通常指电流流入电池或电解池的端点,而阴极则是电流流出的端点。
在电导率探头中,这两个电极共同工作来完成电导率测量。通过电极施加一个小的交流电(以避免极化),电流会通过液体从阳极流向阴极。电导率探头测量这个电流的强度或相应的电压变化,以确定溶液的电导率。
OK,这里要说的是电路的精华部分,如果说错了,请马上来和我确认。
LTC6078 是ADI公司的一款高阻双路运放,其中一路作为pH电极的接口电路,电压信号直接送入ADUCM355内的ADC功能通道,另一路则作为电导率电极的接口电路,将微弱电流转换为电压,再送入ADC通道。
后面这个不就是TIA吗?

LGA的封装是手焊不了的


气体检测
水质检测
本来文章到这里就结束了,但是我发现真正有趣的事情才开始。
首先这个骁龙科技也不是自己设计的,就是改了一下ADI的设计demo,哼。

参考的是这个设计
同时AD5940,AD5941,这两个是去掉MCU的FAE处理器。

甚至这两个我都没有看出来有什么区别
事实上还有很多的测量设计
例如上面这个:是一款完全隔离的低功耗pH传感器信号调理器和数字化仪,具有自动温度补偿功能,可实现高精度。该电路可为 0 至 14 的 pH 值提供 0.5% 的准确读数,无噪声代码分辨率大于 14 位,适用于各种工业应用,如化学、食品加工、水和废水分析。该电路支持各种pH传感器,这些传感器具有非常高的内阻,范围为1 MΩ至数GΩ,数字信号和电源隔离可对恶劣工业环境中经常遇到的噪声和瞬态电压进行抗扰度。
以上这些应用,都是可以直接在ADI的这个板子上面来测试的

这个基于ARM -M3的MCU,主打是低功耗
这个就是我上面说的AD5941

参考设计在此

再把视角调整回去
我标的地方,是不是不知道为什么设置的这几个电阻。

额,原来是参考设计的电阻

我真的哭死,AIN5,AIN6,Vzero0,它就是都不带换的

pH的测量图,就是做缓冲作用的
为高阻抗传感器提供精密缓冲。其 精密性能和低偏置电流(输入偏置电流最大值为1 pA)是 此设计的关键因素,其中pH探针的阻抗可能有数千兆欧 (GΩ)

电导率这里是,TIA测量,直接上了10M的电阻还加了补偿电容
前面的测量端,可以到电极系统,也可以到ADC系统。
看最大的电流是多少

设计原理图

这个是AD5940的高阻测量,可以对比的看

校准电阻
生病了,不想工作了。。。PCB在最近会制作,如果有需要的请来洽谈。电化学这块还是很多应用的。
https://www.analog.com/cn/design-center/reference-designs/circuits-from-the-lab/cn0428.html#adi__s-and-b__container-2https://wiki.analog.com/resources/eval/user-guides/eval-ad5940/hardware/eval-ad5941elczhttps://wiki.analog.com/resources/eval/user-guides/eval-adicup3029https://wiki.analog.com/resources/eval/user-guides/eval-adicup360/hardware/cn0326https://www.analog.com/cn/parametricsearch/12969#/p0=AD59https://www.cytech.com/technical-articles/multifunctional-electrochemical-module-part-1-module-function-and-principlehttps://www.cytech.com/technical-articles/adi-highly-integrated-solution-gas-and-water-qualityhttps://www.bing.com/images/search?view=detailV2&ccid=9G9g%2fCZf&id=296DD53650C56B290E1476D4B995FEBB133864D4&thid=OIP.9G9g_CZf9sbo-zRYBVYMzgHaHa&mediaurl=https%3a%2f%2fth.bing.com%2fth%2fid%2fR.f46f60fc265ff6c6e8fb345805560cce%3frik%3d1GQ4E7v%252blbnUdg%26riu%3dhttp%253a%252f%252fwx2.sinaimg.cn%252flarge%252f62528dc5gy1fhp22eif09j20rs0rstc6.jpg%26ehk%3dZoTQrnW5ftH0jXOxkdPF1jV9DnZWmM9bIpIZBXo0DvA%253d%26risl%3d%26pid%3dImgRaw%26r%3d0&exph=1000&expw=1000&q=%e8%98%91%e8%8f%87%e5%a4%b4%e8%a1%a8%e6%83%85%e5%8c%85&simid=607993814393244756&FORM=IRPRST&ck=7D72A49968DAE5C03D16BE7AE6E904DB&selectedIndex=17&itb=0&ajaxhist=0&ajaxserp=0https://www.bing.com/search?q=ORP%E5%80%BC&qs=n&form=QBRE&sp=-1&lq=0&pq=orp%E5%80%BC&sc=10-4&sk=&cvid=37DBD523FB204679B335958B4CB8D741&ghsh=0&ghacc=0&ghpl=https://www.analog.com/cn/products/ltc6078.html#product-overviewhttps://www.analog.com/cn/products/aducm355.html#product-qualityhttps://www.cytech.com/technical-articles/multifunctional-electrochemical-module-part-2-module-application-developmenthttps://item.szlcsc.com/82012.htmlhttps://www.cytech.com/technical-articles/adi-highly-integrated-solution-gas-and-water-qualityhttps://www.sohu.com/a/430809437_467791