
泛海微FHchip推出外围简单的合封手写板芯片,内置集成MOS。泛海微FHchip162手写板合封芯片是一款通用的手写板擦写自动控制芯片。162手写板合封芯片为一款内置升压电路并可以自动产生擦写脉冲的手写板擦写控制芯片。擦写脉冲为正负两个脉冲。泛海微FHchip162芯片外围简单,降低客户采购成本,采用小尺寸SOP8封装。脉冲电压可以通过外置电阻设置,其电压值满足:Rset=10K*Vpulse-40K如果想获得 24V 的脉冲电压,则:Rset=200KΩ162手写板合封芯片为一键式自动擦写控制器,其触发为 ER 端从低到高的上升沿,亦即连接该 pin 的锅片开关按压行为。在一次脉冲产生周期内的多次按压行为仅触发一次擦写脉冲的产生,直至 1 个脉冲完全结束,等待下一个按压动作触发。它采用3V纽扣电池或者两节或者三节普通干电池供电,自带升压电路,并每次自动产生正负脉冲的高压擦写脉冲,以达到一次性对手写板进行擦写的目的。
特点:输出电压可达50V不擦写状态下基本零功耗(nA级别)一键式自动擦写外围简单自动升压正负脉冲擦写脉冲电压可调(外置调压电阻)•••••••
应用:• 泛海微FHchipFH511手写板单波黑屏芯片


泛海微FHchip161手写板合封芯片是一款通用的手写板擦写自动控制芯片。它采用3V纽扣电池或者两节或者三节普通干电池供电,自带升压电路,并每次自动产生正负脉冲的高压擦写脉冲,以达到一次性对手写板进行擦写的目的。
泛海微FHchip161手写板合封芯片为一款内置升压电路并可以自动产生擦写脉冲的手写板擦写控制芯片。擦写脉冲为正负两个脉冲。161芯片外围简单,降低客户采购成本,采用小尺寸SOP8封装。脉冲电压可以通过外置电阻设置,其电压值满足:Rset=10K*Vpulse-40K如果想获得 24V 的脉冲电压,则:Rset=200KΩ161手写板合封芯片为一键式自动擦写控制器,其触发为 ER 端从低到高的上升沿,亦即连接该 pin 的锅片开关按压行为。在一次脉冲产生周期内的多次按压行为仅触发一次擦写脉冲的产生,直至 1 个脉冲完全结束,等待下一个按压动作触发。
特点:最高输出电压可达50V不擦写状态下基本零功耗(nA级别)一键式自动擦写外围简单自动升压正负脉冲擦写脉冲电压可调(外置调压电阻)•••••••应用:• 手写板封装引脚图:161手写板合封芯片为一款内置升压电路并可以自动产生擦写脉冲的手写板擦写控制芯片。擦写脉冲为正负两个脉冲。161芯片外围简单,降低客户采购成本,采用小尺寸SOP8封装。脉冲电压可以通过外置电阻设置,其电压值满足:Rset=10K*Vpulse-40K如果想获得 24V 的脉冲电压,则:Rset=200KΩ161手写板合封芯片为一键式自动擦写控制器,其触发为 ER 端从低到高的上升沿,亦即连接该 pin 的锅片开关按压行为。在一次脉冲产生周期内的多次按压行为仅触发一次擦写脉冲的产生,直至 1 个脉冲完全结束,等待下一个按压动作触发。SOP8
泛海微FHchip161 为一款内置升压电路并可以自动产生擦写脉冲的手写板擦写控制芯片。擦写脉冲 1 个,每次脉冲的输出和上一次的脉冲相反。脉冲电压可以通过外置电阻设置,其电压值满足:Rset=10K*Vpulse-40K如果想获得 24V 的脉冲电压,则:Rset=200KΩ 161 为一键式自动擦写控制器,其触发为 ER 端从低到高的上升沿,亦即连接该 pin 的锅片开关按压行为。在一次脉冲产生周期内的多次按压行为仅触发一次擦写脉冲的产生,直至 1 个脉冲完全结束,等待下一个按压动作触发。


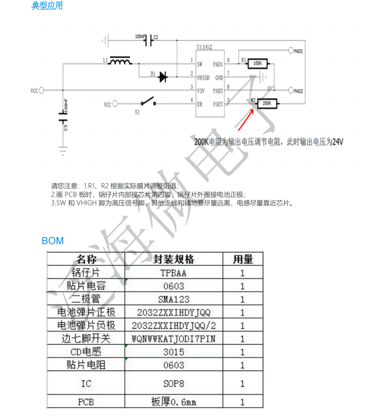
手写板芯片电路原理图双波BOM表

泛海微FHchip162是一款低功耗手写板擦写芯片,为手写板制造商提供了高性能和便捷的解决方案。泛海微FHchip162具有多种特点,包括最高输出电压可达50V,基本零功耗的不擦写状态,一键式自动擦写操作,简单的外围设计和自动升压功能。使用3V纽扣电池或两节至三节普通干电池供电,FH162内部集成了升压电路,每次按下按键时会自动生成正负脉冲的高压擦写脉冲,实现手写板的一次性擦写。用户可通过外部调压电阻调节脉冲电压,以满足不同应用需求。FH162适用于手写板等领域,为用户提供高效、可靠的擦写控制方案。
FH162具有以下特点,使其在手写板擦写控制领域脱颖而出:
特别低功耗设计:FH162在不擦写状态下具有基本零功耗。这一特点使得手写板在待机或未使用状态时能够节约能源,延长电池寿命,特别适合长时间使用的场景。
特别高压擦写脉冲能力:FH162能够提供所需的高压擦写脉冲,最高输出电压可达50V。这特别高的输出电压能够确保手写板能够彻底擦除书写或绘画的内容,使得用户能够得到清晰、干净的写字和绘图体验。
特别多电源供电方式:FH162采用特别的多电源供电方式,可使用3V纽扣电池或两节至三节普通干电池供电。这特别灵活的供电方式使得手写板制造商能够根据用户需求和产品设计选择最适合的电源配置,提供便捷的供电方案。
特别便捷的擦写控制:泛海微FHchip162采用一键式自动擦写操作,用户只需通过手写板上的按键触发即可生成擦写脉冲,实现擦写操作。这特别便捷的擦写控制方式简化了用户的操作流程,提高了手写板的易用性和用户体验。
原创声明:本文系作者授权腾讯云开发者社区发表,未经许可,不得转载。
如有侵权,请联系 cloudcommunity@tencent.com 删除。
原创声明:本文系作者授权腾讯云开发者社区发表,未经许可,不得转载。
如有侵权,请联系 cloudcommunity@tencent.com 删除。