根据实际逻辑问题,求出所要求逻辑功能的最简单逻辑电路。
1.逻辑抽象:根据实际逻辑问题的因果关系确定输入、输出变量,并定义逻辑状态的含义;
2.根据逻辑描述列出真值表;
3.由真值表写出逻辑表达式。根据所用器件,简化和变换逻辑表达式。
4.根据逻辑表达式画出逻辑图。
某雷达站有A、B、C三部雷达,其中A和B消耗功率相等,C的消耗功率是A的两倍。这些雷达由两台发电机X和Y供电,发电机X的最大输出功率等于雷达A的功率消耗,发电机Y的最大输出功率是X的3倍。要求用与、或、非门设计一个逻辑电路,利用各雷达的起动和关闭信号,以最节约电能的方式起、停发电机。
解:(1) 逻辑抽象。
A、B、C是事件产生的原因,应定为输入变量;两台发电机 X 和 Y 是事件产生的结果,定为输出变量。
设输入变量A、B、C为1表示雷达起动,为0雷达关闭。输出变量X、Y为1,表示发电机起动;为0,表示发电机停止。
(2) 根据题意列出真值表
输 入 | 输 入 | 输 入 | 输 出 |
|---|---|---|---|
A | B | C | X Y |
0 | 0 | 0 | 0 0 |
0 | 0 | 1 | 0 1 |
0 | 1 | 0 | 1 0 |
0 | 1 | 1 | 0 1 |
1 | 0 | 0 | 1 0 |
1 | 0 | 1 | 0 1 |
1 | 1 | 0 | 0 1 |
1 | 1 | 1 | 1 1 |
(3) 由真值表可画出卡诺图,用卡诺图简化得简化后的逻辑表达式。


(4) 根据简化后的逻辑表达式画出逻辑图。

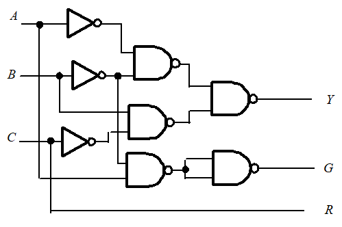
电热水器内部容器示意图中,A、B、C为三个水位检测元件。当水面低于检测元件时,检测元件输出高电平;水面高于检测元件时,检测元件输出低电平。试用与非门设计一个热水器水位状态显示电路,要求当水面在A、B之间的正常状态时,绿灯G亮;水面在B、C间或A以上的异常状态时,黄灯Y亮;水面在C以下的危险状态时,红灯R亮。
1.当水面在A、B之间的正常状态时,绿灯G亮;
2.水面在B、C间或A以上的异常状态时,黄灯Y亮;
3.水面在C以下的危险状态时,红灯R亮。

(1) 逻辑抽象
输入变量(A、B、C ):为三个检测仪的输出。 逻辑1:水位低于水位检测仪; 逻辑0:水位高于水位检测仪。
输出变量为绿灯G、黄灯Y、红灯R。 逻辑1:灯亮; 逻辑0:灯灭。
(2) 根据逻辑功能的要求,列出真值表。
1.当水面在A、B之间的正常状态时,绿灯G亮; 2.水面在B、C间或A以上的异常状态时,黄灯Y亮; 3.水面在C以下的危险状态时,红灯R亮。
在具体分析时,发现当逻辑变量被赋予特定含义后,有一些变量的取值组合根本就不会出现,这些最小项应被确定为无关项。
A | B | C | G | Y | R |
|---|---|---|---|---|---|
0 | 0 | 0 | 0 | 1 | 0 |
0 | 0 | 1 | × | × | × |
0 | 1 | 0 | × | × | × |
0 | 1 | 1 | × | × | × |
1 | 0 | 0 | 1 | 0 | 0 |
1 | 0 | 1 | × | × | × |
1 | 1 | 0 | 0 | 1 | 0 |
1 | 1 | 1 | 0 | 0 | 1 |
(3)由真值表可画出卡诺图。

根据器件要求(与非门),需将逻辑表达式两次求反,变换为与非-与非式

(4)依据逻辑函数式,可画出由与非门构成的逻辑图。

参考文献: